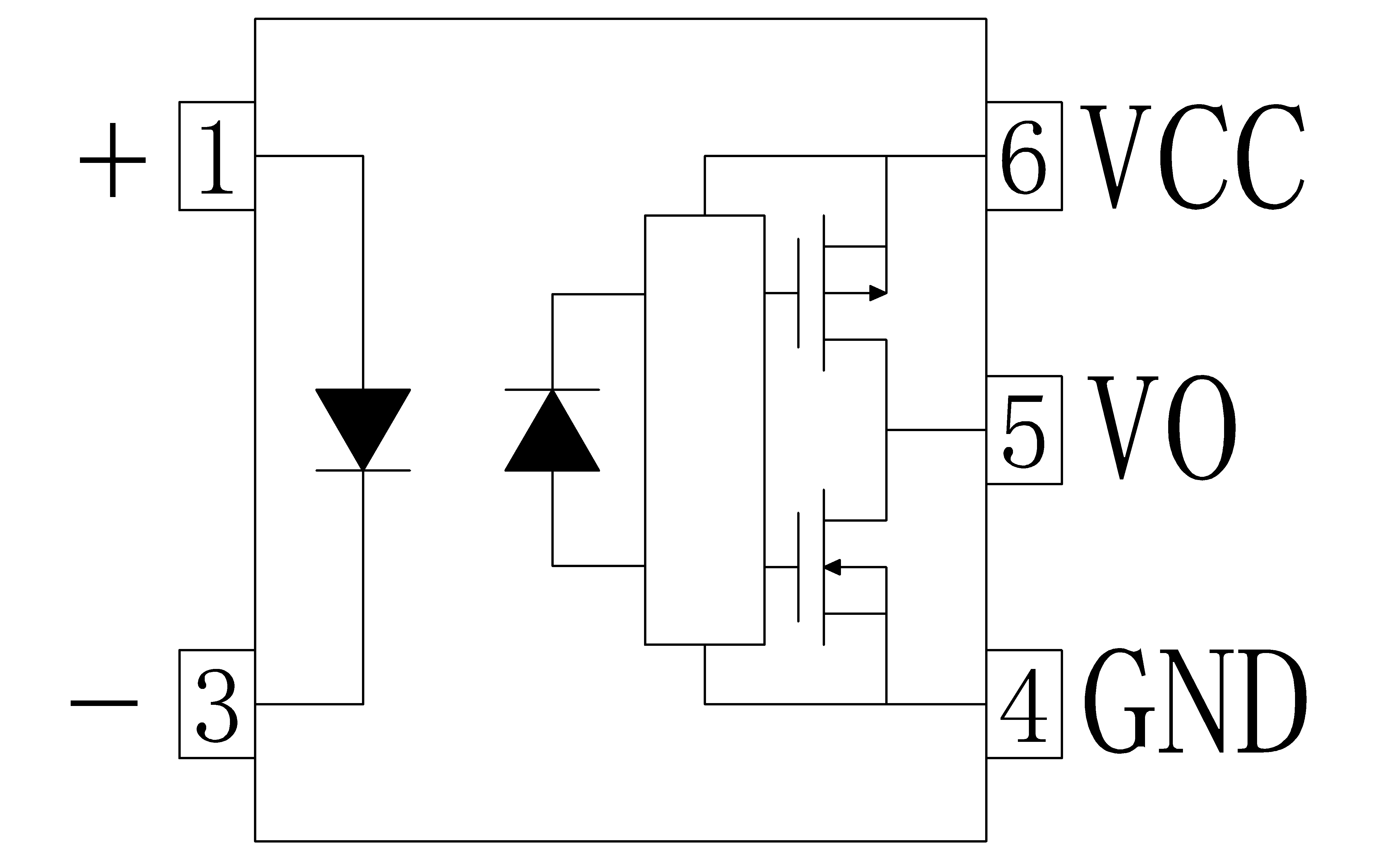
| 封装形式 Package |
SOP5 |
| 通道数 Channel |
1 |
| 传输速率 Transmission rate(Mb/s) |
15 |
| 输出类型 Output Type |
逻辑门+CMOS输出 |
| 输入端电流 IF(ON)Rating(mA) |
20 |
| 输出端电源电压 VCC(V) |
2.7-5.5 |
| 高电平电源电流 ICCH(uA)-max |
6.5 |
| 低电平电源电流 ICCL(mA)-max |
6.5 |
| 电流传输比 CTR(%)-min |
- |
| 传播延迟时间 Propagation Delay Time TPHL-max(ns) |
80 |
| 传播延迟时间 Propagation Delay Time TPLH-max(ns) |
80 |
| 共模抗扰度 CMR-@kV/us -min |
±20 |
| 工作温度 Topr(℃) |
-40~110 |
| 绝缘耐压 Isolation Voltage (VRMS) |
3750 |
| 安规认证 Safety Standards |
UL、VDE、CQC |